市场羁系总局关于调解
实验强制治理的计量用具目录的通告
为一连优化营商情形,,,深入落实“放管服”刷新行动,,,市场羁系总局决议调解实验强制治理的计量用具目录。。。。。。现将调解后的《实验强制治理的计量用具目录》(以下简称《目录》)予以宣布。。。。。。
一、自本通告宣布之日起,,,列入《目录》且羁系方式为“型式批准”和“型式批准、强制检定”的计量用具应办理型式批准或者入口计量用具型式批准;;;其他计量用具不再办理型式批准或者入口计量用具型式批准。。。。。。
二、自本通告宣布之日起,,,列入《目录》且羁系方式为“强制检定”和“型式批准、强制检定”的事情计量用具,,,使用中应接受强制检定,,,其他事情计量用具不再实验强制检定,,,使用者可自行选择非强制检定或者校准的方式,,,包管量值准确。。。。。。
三、自本通告宣布之日起,,,各级市场羁系部分对不在《目录》型式批准规模内的计量用具,,,已经受理但尚未完成型式批准的,,,依法终止行政允许程序;;;各级计量手艺机构对不在《目录》强制检定规模内的事情计量用具,,,已经受理但尚未完成检定的,,,继续完成检定事情。。。。。。
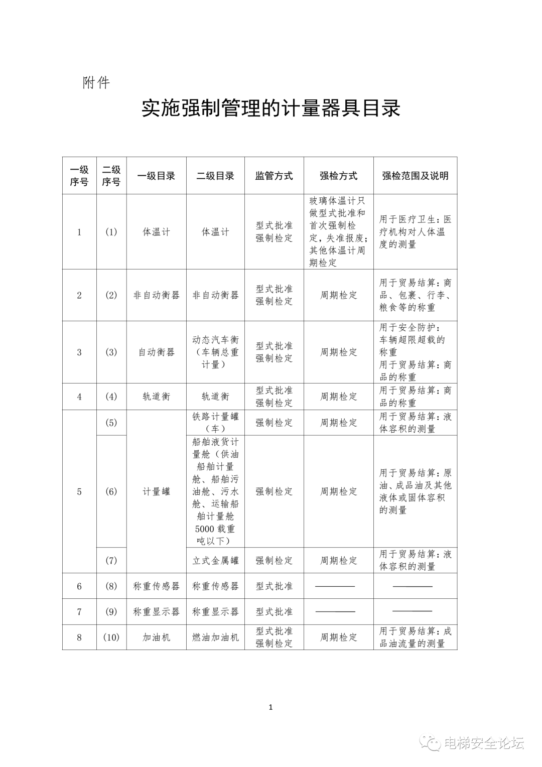
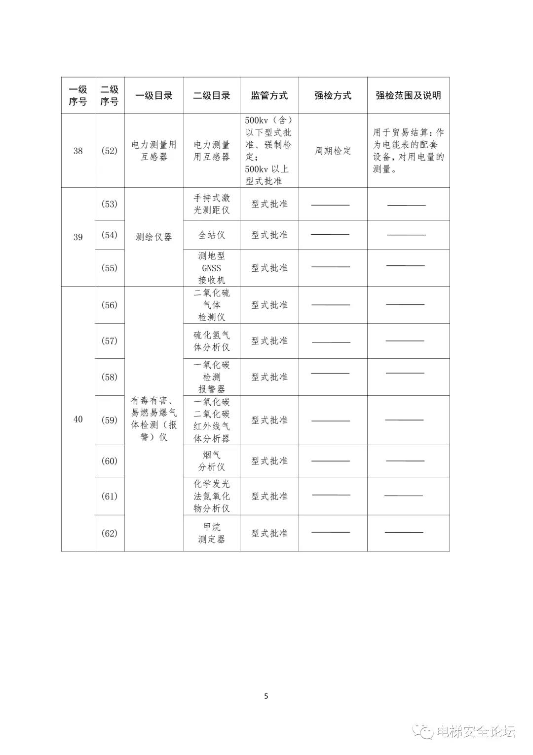
四、凭证强制检定的事情计量用具的结构特点和使用状态,,,强制检定接纳以下两种方式:
1.只做首次强制检定。。。。。。按实验方式分为:只做首次强制检定,,,失准报废;;;只做首次强制检定,,,限期使用,,,到期轮换。。。。。。
2.举行周期检定。。。。。。
五、强制检定的事情计量用具的检定周期,,,由响应的检定规程确定。。。。。。凡计量检定规程划定的检定周期做了修订的,,,应以修订后的检定规程为准。。。。。。
其中,,,电动汽车充电桩延期至2023年1月1日起实验强制检定。。。。。。勉励各地方对其详细强制检定方式予以探索。。。。。。
六、强制检定的事情计量用具的强检方式、强检规模及说明见《目录》。。。。。。
七、自本通告宣布之日起,,,《市场羁系总局关于宣布实验强制治理的计量用具目录的通告》(2019年第48号)废止,,,其中第四项废止的相关文件依然废止。。。。。。
特此通告。。。。。。
附件:实验强制治理的计量用具目录
市场羁系总局
2020年10月26日




